Корзина пуста
Статьи
Новая серия осциллографов LeCroy – WavePro 7 Zi. Быстро – Точно – Удобно!
| А.В. Пивак к.т.н., АО «ПриСТ» |
![]() |
Рисунок 1. LeCroy WavePro 760Zi |
Компания LeCroy объявила о выпуске новой серии осциллографов. Серия носит название WavePro 7 Zi и пришла на смену сразу двум линейкам приборов LeCroy: WavePro и WaveMaster, разработанным ещё в 2002 году. Серия WavePro 7 Zi включает в себя всё лучшее, что накоплено разработчиками компании к настоящему времени и построена на новой платформе, в которой реализованы принципиально новые решения как технологические, так и эргономические. Последние сразу же бросаются в глаза – это и необычный чёрный корпус прибора, по дизайну похожий на панель управления самолёта, и большой сенсорный широкоформатный дисплей - 15 дюймов (WXGA, 16x10, 1280х768), что на сегодняшний день является самым большим осциллографическим экраном в мире. А также опционально подключаемый дополнительный сенсорный экран (рис. 1), который расширяет область наблюдения, позволяя, например, на первом экране просматривать полноразмерные осциллограммы, а на втором - проводить настройки и отображать результаты измерений, математики, декодирования кодовых последовательностей и т.д.
В серии представлены 5 моделей осциллографов с полосами пропускания от 1,5 до 6 ГГц и частотами дискретизации в реальном времени 20 ГГц на канал и 40 ГГц в режиме объединения каналов, при этом максимально возможный объём памяти на канал составляет 256 Мб. Это стало возможными при использовании новой потоковой архитектуры передачи данных X-Stream II, являющейся развитием технологии X-Stream, применяемой до настоящего времени во всех осциллографах LeCroy. Новая архитектура обеспечивает быстродействие от 10 до 20 раз быстрее, чем у аналогичных приборов других производителей при работе с объёмами осциллографических данных 10 Мб и более. В основу Х-Stream II положены специальный программный алгоритм передачи данных в виде сегментов переменной длины, что обеспечивает максимальную эффективность работы кэш-памяти процессора, а также самый мощный на сегодня процессор Intel Core 2 Quad, работа которого поддерживается оперативной памятью до 8 Гб. Кроме этого передача данных от платы сбора данных на процессор производится по высокоскоростной шине PCI Express, а сам осциллограф работает под управлением 64 разрядной операционной системой Windows Vista. Совокупность этих решений позволяет обеспечить беспрецедентную скорость работы прибора (например, осциллограф способен проводить до 750000 измерений в секунду) и малое время реакции на внешние команды даже при работе с длинной памятью. Дополнительная карта с интерфейсом PCIEx4 даёт возможность передавать данные непосредственно с осциллографической памяти на внешние носители информации со скоростью 500 Мб/с (рис. 2), что эквивалентно работе осциллографа со 100% захватом данных в течение нескольких часов с частотой дискретизации 500 МГц.
![]() |
Рисунок 2. Сравнение скорости типовых интерфейсов |
Серия WavePro 7 Zi обеспечивает максимальную гибкость и удобство в работе. Так все модели, в том числе и высокочастотные, оснащены входными сопротивлениями и 50 Ом, и 1 МОм. Поэтому перед пользователем теперь не будет стоять вопрос о том, как подключить пассивный пробник к осциллографу 6 ГГц, если необходимо измерить низкочастотный сигнал. Кроме этого, модели 4 и 6 ГГц оснащены одновременно интерфейсами ProLink и ProBus, что позволяет не задумываясь подключать любые существующие или вновь разрабатываемые пробники LeCroy: активные, токовые, высоковольтные, дифференциальные. Также все приборы серии WavePro 7 Zi имеют шину LeCroy Bus для подключения логических пробников MS-250 и MS-500 (рис. 3), которые полностью интегрированы в программу осциллографа, что позволяет получать законченное решение по анализу смешанных сигналов.
![]() |
Рисунок 3. Наличие шины LeCroy Bus даёт возможность |
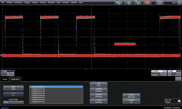
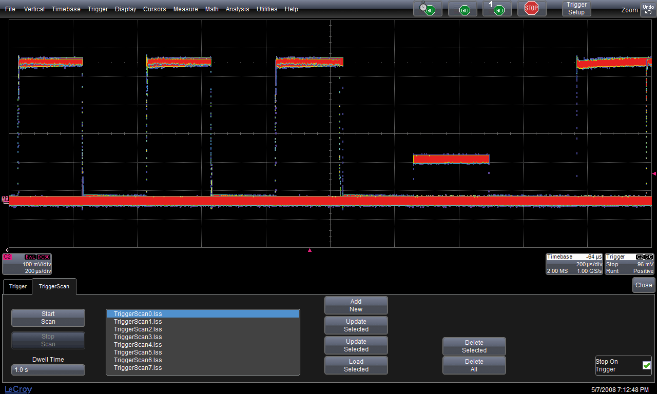
Для поиска аномалий в сигнале и отладки процессов в осциллографах WavePro 7 Zi применена система синхронизации TriggerScan. Данная система является уникальным решением по поиску аномалий и даёт значительный выигрыш по сравнению с технологией «быстрого обновления экрана» на частотах свыше 50 МГц и при временах наблюдения свыше нескольких минут. TriggerScan является программно-аппаратным решением, использующим специальную высокоскоростную микросхему предзапуска, и позволяет проводить сканирование сигнала по различным комбинациям условий запуска: по фронту, по интеллектуальным условиям запуска (глич, рант, длительность импульса и т.д.), по последовательностям данных. Таким образом, запуск прибора происходит, если входной сигнал удовлетворяет, хотя бы одному условию запуска из заданной комбинации (всего возможно до 100 комбинаций). Осциллографы серии WavePro 7 Zi способны захватывать практически любые аномалии. Этого удалось добиться благодаря тому, что интеллектуальные схемы синхронизации SMART работают с длительностями сигнала от 200 пс, большинство из них могут использовать технологию исключения (в отличие от обычных схем запуска технология исключения даёт срабатывание, если сигнал НЕ соответствует заданным условиям), а также применению системы TriggerScan (рис. 4) в совокупности с алгоритмом поиска аномалий WaveScan и специальным сегментированным режимам развёртки. Для упрощения работы с данным режимом, в осциллографе уже предусмотрены наиболее распространённые комбинации условий запуска, позволяющие обнаруживать до 80% всех требуемых сигналов.
![]() |
Рисунок 4. Система синхронизации TriggerScan |
Помимо системы синхронизации TriggerScan, осциллографы WavePro 7 Zi имеют полный набор инструментов по синхронизации и декодированию потоков данных: как низкоскоростных (UART, I2C, SPI, RS-232, CAN, LIN, FlexRay), так и высокоскоростных сигналов последовательных данных со скоростями до 3 Гб/с (PCIExpress, PDH, SDH, FiberChannel и т.д.). Набор данных схем синхронизации совместно с аппаратными опциями восстановления тактовой частоты и программами по декодированию сигналов, построению глазковых диаграмм и анализу джиттера превращает данные приборы в полноценные анализаторы последовательных данных. Осциллографы, специально предназначенные для анализа высокоскоростных потоков последовательных данных, носят название SDA700Zi (рис. 5) и представлены 4 моделями с полосой пропускания от 2,5 до 6 ГГц.
![]() |
Рисунок 5. Серия осциллографов для анализа высокоскоростных |
Как и все осциллографы от LeCroy, WavePro 7 Zi обладает широким набором инструментов по анализу сигналов - измерения (на сигнале, на математике, параметров сигнала и т.д.), математика (включая посторенние цепочек математических функций), графический и статистический анализ, интеграция с программными пакетами типа MatLab – всего этого в WavePro 7 Zi стало ещё больше. Например, расчёт БПФ теперь может вестись по 50 миллионам точек, что даёт ультравысокое разрешение по частоте, а специальная опция SPECTRUM (рис. 6) позволяет осуществлять настойки БПФ как при работе с обычным анализатором спектра – центральная частота, полоса обзора, полоса пропускания и т.д. При этом данный режим запускается совместно с WaveScan и сразу же выдаются значения всех спектральных пиковых значений по их частоте и уровню.
![]() |
Рисунок 6. Опция SPECTRUM |
Режим интеллектуального поиска участков сигнала по заданным условиям WaveScan (рис. 7), также претерпел изменения в сторону расширения функциональных возможностей. Если раньше имелись некоторые ограничения по поиску измерений амплитудных параметров сигнала, то теперь стало возможным задавать для всех условий поиска и эти данные, например амплитуда, действующее значение, СКЗ и др.
![]() |
Рисунок 7. Режим WaveScan |
Кроме этого, компания LeCroy планирует предлагать пользователям опции по модернизации аппаратной части осциллографов WavePro 7 Zi, которые могут быть осуществлены в короткие сроки в сервисных-центрах LeCroy. К таким опциям будет относиться и расширение полосы пропускания приборов до максимально возможной в серии полосы 6 ГГц.
Осциллограф WavePro 7 Zi имеет съёмную панель (рис. 8), которая подобна съёмной панели автомагнитолы. Такая конструкция позволяет пользователю переместить панель управления в наиболее удобное место и производить управление осциллографом, присоединив её стандартным кабелем к любому USB разъёму осциллографа (рис. 9).
![]() |
Рисунок 8. Съёмная панель управления |
![]() |
Рисунок 9. Съёмная панель управления |
Также возможно будет устанавливать на осциллографы сменные панели управления, которые сконструированы по требованиям заказчика, с новым расположением на них органов управления, требуемых пользователю для решения конкретных задач.
Возвращаясь к анализу геометрических размеров можно смело утверждать, что при наличии самого большого экрана, осциллограф серии WavePro 7 Zi имеет самое малое соотношение геометрических размеров, по сравнению с аналогичными осциллографами других производителей. Рис. 10, Рис 11 - небольшие геометрические размеры WavePro 7 Zi - дополнительное удобство в работе.
![]() |
Рисунок 10. |
![]() |
Рисунок 11. |
Таким образом, серия WavePro 7 Zi представляет собой новый тип осциллографов, который позволяет пользователю решать задачи любой трудности, возникающие при проектировании, разработке, отладке и анализе высокоскоростных и комплексных сигналов на современном этапе развития производства, а также уверенно смотреть в будущее.
Автор: Пивак А.В. к.т.н.
Дата публикации: 01.07.2008
У нас представлены товары лучших производителей
ПРИСТ предлагает оптимальные решения измерительных задач.
У нас вы можете купить осциллограф, источник питания, генератор сигналов, анализатор спектра, калибратор, мультиметр, токовые клещи, поверить средства измерения или откалибровать их. Также мы поставляем паяльно-ремонтное оборудование, антистатический инструмент, промышленную мебель. Мы имеем прямые контракты с крупнейшими мировыми производителями измерительного оборудования, благодаря этому можем подобрать то оборудование, которое решит Ваши задачи. Имея большой опыт, мы можем рекомендовать продукцию следующих торговых марок:
Внимание! Отсутствие ошибок и опечаток не гарантируется. В технические характеристики средств измерений неутвержденного типа производителем могут быть внесены изменения без предварительного уведомления. Соответствие важных параметров требует уточнения. Полные технические характеристики предоставляются по отдельному запросу. Нашли ошибку? Выделите мышкой и нажмите Ctrl+Enter.















