Корзина пуста
Статьи
Достоверность отображения сигналов в силовой электронике: внутренние проблемы в шинах питания и анализ процессов в системе электропитания при изменении тока нагрузки
Третичный тип электрических шумов и наводок, присутствующий в системах распределения питания PDN (power distribution network), это те явления, которые можно назвать внутренними “агрессорами”. Помехи, которые наводятся от одного компонента системы другому по линии электропитания.
Рассмотрим пример изменения формы тока и напряжения в шине питания PDA*, при включении каких-либо устройств (Например, фонарик смартфона, WiFi модуль, камера и т.д.). На Рис. 1 видно, как на графике выходного напряжения VRM** шины питания с номиналом 1 В, сигнал имеет спад (“просадку напряжения”) в момент включения устройства, потребляющего ток. И, спустя короткий промежуток времени, уровень питающего напряжения возвращается в номинальный. Аналогично описанному процессу явления можно наблюдать и с шумами источников питания современных цифровых систем. В подавляющем большинстве современных цифровых схем применяются импульсные источники питания, характеризуются возникновением колебаний, которые появляются в ответ на изменение тока нагрузки и являются нежелательными для устойчивого функционирования системы.
*-. PDA – (personal digital assistant) устройство известное как карманный ПК (мобильное устройство, которое функционирует как электронный девайс: смартфон, планшет и персональный органайзер).
** - VRM - (Voltage Regulator Module) модуль регулятора напряжения портативного цифрового устройства (аппаратная часть ПК и устройств на их базе).
Инженер-конструктор и разработчик РЭА, заинтересован в оценке параметров пульсаций тока и имеющихся шумовых процессов в сети питания, поскольку спад (“просадка”) напряжения может повлиять на работу других компонентов системы, запитанных от того же источника питания и находящихся на той же шине питания.
Чтобы произвести такого рода оценку нам необходимо измерить параметры переходного процесса в шине электропитания, возникающего как реакция на увеличение потребления тока из-за подключения дополнительной нагрузки.
Для этого необходимо рассмотреть форму сигналов тока и напряжения в шине питания. На Рис. 1 показан экран осциллографа кривая напряжения канал C5 (зеленый график), и кривая тока в цепи канал C8 (оранжевый график).
Сначала мы должны выяснить, что происходило в шине питания до включения нагрузки, и ответить на вопросы:
- Какое было среднее напряжение?
- Какой был уровень пульсаций?
Затем, мы должны измерить параметры переходного процесса, возникшего в результате включения нагрузки в шину питания ответить на следующие вопросы:
- Насколько произошла просадка тока напряжения?
- Сколько времени потребовалось для восстановления параметров питания?
- Сколько времени потребовалось для восстановления параметров питания после отключения нагрузки?
Таким образом, мы можем дать оценку, а также количественные показатели параметров системы до подключения нагрузки, динамического состояния во время подключения нагрузки, а также устойчивого состояния после отключения нагрузки.
Далее будет рассмотрено 3 основных подхода для проведения данных измерении с помощью осциллографа, описанных по мере сложности их реализации.
Для всех примеров будем проводить измерения в шине питания 1 В, длительность измерений 1 мс, подключение нагрузки к шине питания будет осуществляться через 500 мкс после начала измерений.
1. Измерение переходных процессов с помощью курсоров
Достаточно широко используемый базовый метод измерений переходных процессов на шине питания при анализе отклика на нагрузку (Transient Response) заключается в применении осциллографа с функцией курсорных измерений.
Чтобы увидеть и оценить уровень пульсаций на шине в состоянии «без нагрузки», необходимо просто расположить линии вертикальных курсоров на наблюдаемые пики напряжения на осциллограмме - один курсор в верхней и один курсор в нижней части кривой - и считать значение.
Функция курсорных измерений в осциллографах Teledyne LeCroy обеспечивает автоматическое вычисление разницы показаний с отображением полученного значения.
На Рис. 3 курсоры показывают уровень пульсаций 19,81 мВ (∆-значение – в зелёном овале в левой нижней части экрана).
Среднее напряжение (Umean) затруднительно точно измерить с помощью курсоров. Для этого необходимо найти на осциллограмме область кривой, где напряжение на графике является наиболее «плотным» и установить там курсор (голубая стрелка Рис. 4).
Однако надо иметь в виду, что этот способ не является достаточно точным методом измерения среднего напряжения.
На Рис. 4 показано измеренное среднее напряжение 999,81 мВ, что довольно близко к ожидаемой величине на данной шине напряжения «1 В».
Далее, одним курсором, как описано выше, выполняется измерение пульсаций и среднего напряжения в стабильном состоянии после активации нагрузки (этап установления Uном). Поскольку измерения вертикального курсора охватывают все собранные отсчеты входных данных и по-прежнему включают значения с других этапов реакции ИУ на нагрузку, то это означает, что точного разделения этих этапов не обеспечено. Тем самым не учитываются различия между предварительным состоянием (до нагрузки), этапом включения нагрузки и состоянием установления на шине питания.
Метод использования курсоров также сложнее с точки зрения учета динамического поведения связанных процессов тока и напряжения на шине. Чтобы оценить насколько сигнал уменьшился по амплитуде («просел»), можно выполнить измерение от наиболее плотной по яркости области осциллограммы напряжения (Umean) до минимального пика (самый нижний на графике). Это значение на Рис. 5 составляет около 31 мВ (размах указан голубой стрелкой, значение в нижнем левом углу - зелёным цветом).
Но опять же, надо помнить, что данный результат включает в себя все пульсации сигнала присутствующие в захваченных данных.
Чтобы оценить время восстановления (время необходимое для возвращения к определенному процентному значению от уровня напряжения Uном), следует установить один горизонтальный курсор на точку, где ток начинает расти по мере приложения нагрузки, а линию другого на точку графика, где напряжение восстановилось до требуемого % уровня, который необходимо измерить (Рис. 6).
В данном примере показано измерение интервала времени восстановления до уровня 10% спада, который имел значение 31 мВ. Таким образом, второй горизонтальный курсор расположится в точке, где напряжение снизится на 3,1 мВ (параметр C5) после подачи нагрузки по сравнению со значением устойчивого состояния. Установки курсоров измерения времени выполняются путем размещения горизонтального курсора №1 в точке, где начинает расти ток, а курсора №2 в точке достижения напряжением конечного уровня.
2. Измерение переходных процессов с помощью функций «Растяжка» и «Параметры»
Применение растяжки ограничивает измерения только одним участком осциллограммы (заданной областью зума), например, в виде выделенной на кривой зоне, соответствующей предварительному состоянию ИУ до нагрузки. Однако, при этом растяжка обеспечивает лучшее отображение и детализацию поведения составляющих высокочастотного сигнала.
Более сложный способ измерения переходных процессов и откликов устройства на нагрузку при помощи осциллографа является использование цифровой растяжки и режима измерения параметров.
Применение растяжки ограничивает измерения только одним участком осциллограммы (заданной областью зума), например, в виде выделенной на кривой зоне, соответствующей предварительному состоянию ИУ до нагрузки. Однако, при этом растяжка обеспечивает лучшее отображение и детализацию поведения составляющих высокочастотного сигнала.
На Рис. 7 справа на экране показаны две растяжки (zoom C5 и zoom С8), которые отображают напряжение шины до включения нагрузки (светло-зеленый цвет) и уровень тока (оранжевый цвет) как увеличение соответствующих осциллограмм. Достоверно наблюдая на растяжке, что ток нагрузки еще не начал расти, это является подтверждением правильности выбора области выделения на форме сигнала для измерений.
Далее в приборе к результату растяжки напряжения (иконка Z5) можно применить функцию измерения «Параметр», чтобы определить численно уровень пульсации до включения нагрузки (в примере 19,88 мВ) и среднее значение, как параметр для расчета фактического среднего напряжения (999,665 мВ).
Простое перемещение области увеличения на экране позволит увидеть те же измерения на участке кривой, описывающей статус устройства после активации нагрузки. Также имеется возможность создать новые растяжки этой области сигнала в строке параметров осциллографа с целью сохранить для анализа ранее выполненные Zoom-окна на его дисплее.
На Рис. 8 показаны, как уровень пульсаций (пик-пик), так и среднее напряжение, значения которых на этапе установления электропитания на шине немного выросли, до 22,04 мВ и 1 В соответственно (на Рис. значения в нижнем левом углу - зелёным цветом).
Падение напряжения можно количественно оценить, используя функцию растяжки в момент активации нагрузки (параметр Z3 - голубой цвет) - измерив Uмин. этого события, и далее использовать параметрическую математику для вычитания Uмин из значения среднего напряжения в состоянии до начала протекания тока нагрузки (Рис. 9).
Опять же отметим, что этот метод по-прежнему будет не самым подходящим и точным для измерений, потому что некоторые из отсчетов пульсаций были включены в массив данных участка падения напряжения.
Измерения отклика параметров электропитания на нагрузку и временных интервалов этих процессов может быть выполнено, как описано выше с помощью курсоров, размещенных на растяжках осциллограмм. В этом случае легче оценить их расположение на кривой, потому что форма сигнала увеличена и оператор может лучше рассмотреть поведение и флуктуации всех ВЧ компонент.
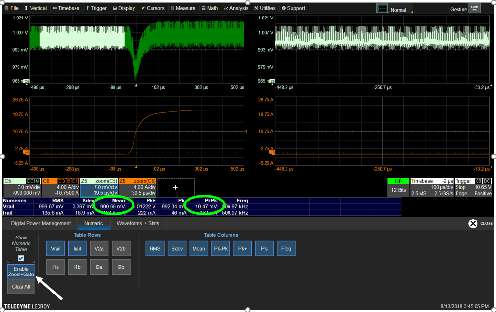
3. Измерение переходных процессов с помощью ПО Digital Power Management
Наиболее точным методом анализа на шине электропитания являются измерения, выполненные с использованием программного обеспечения Teledyne LeCroy – «Digital Power Management» (ПО), которое предоставляет пользователю широкие возможности измерений и позволяет лучшее понимать происходящие процессы. Данное ПО позволяет проводить измерения интересующих нас сигналов для каждого цикла включения, для оценки изменения параметров шины питания в результате воздействия какого–либо определённого (интересующего нас) устройства. Учитывая это формулируется тезис данного способа тестирования: «При известной частоте ШИМ-преобразования, сигнал которого вероятно вызывает пульсации, необходимо обеспечить синхронизацию измеряемых сигналов с «агрессором» с целью наблюдения изменений в каждом их циклов» (Рис. 10). На данном рисунке - слева на экране представлены интересующие сигналы напряжения/ тока на шине - параметры С5/ С8 (соответственно), справа – меню настройки тактовой синхронизации с помехой (SyncSetup).
Выполняя измерения этим способом, пользователь имеет возможность выбрать два интересующих сигнала: напряжение и ток, и далее программное обеспечение автоматически вычисляет ср.кв. значение (RMS), среднее отклонение (deviation), пиковое значение (положительное и отрицательное) и значение пик-пик этих двух сигналов за каждый цикл. Данное ПО разработано специально для измерений мощности цифровых устройств, в том числе для анализа переходных процессов на шине электропитания - выбросов, пульсаций и провалов (Рис. 11).
Оператор просто выбирает в меню те параметры которые необходимы для наблюдения и включения в таблицу измерений.
Включение функции растяжки с заданной областью «Zoom+Gate» (Рис. 12) автоматически создает новые экраны цифрового увеличения участка каждой кривой и определяет границы растяжки для всех измерений в той же области масштабирования.
Все графики и их цифровые растяжки синхронизированы, поэтому легко выполнить панорамное отображение как исходного сигнала, так и его увеличенного следа, а также наблюдать обновляемые измерения на всех сигналах одновременно.
При нажатии на иконку измерения в таблице ПО будет отображать на экране график значения этого параметра для каждого цикла как форму сигнала за период (per-cycle Waveform на Рис. 13 – по стрелке).
За счет вычисления среднего напряжения в каждом цикле (Umean), алгоритм ПО реализует удаление высокочастотных апериодических компонент и пульсаций при измерении интересующих нас сигналов электропитания.
Таким образом, значения параметры определяются формой сигнала за период (цикл), и теперь пользователь действительно может достоверно оценить, как именно среднее напряжение шины Umean меняется во времени (справа на Рис. - указано стрелкой).
Это имеет ряд очевидных преимуществ при выполнении вышеперечисленных тестов, в том числе для измерения спада напряжения, потому что теперь пользователь может измерить пик-пик значение без паразитного влияния присутствующих в сигнале пульсаций.
Полученное при использовании ПО значение просадки напряжения на форме сигнала за цикл величиной 23,7 мВ (Рис. 14) существенно меньше, чем 31 мВ, значение ранее рассчитанное "вручную" с использованием курсоров, т.к. при вычислении значения спада присутствие в сигнале реальных пульсаций исключается из расчета.
Кроме того, ПО облегчает измерение таких показателей, как время установления при включении нагрузки и время обратного восстановления до номинального напряжения, потому что точку начала и конца измерений легче выбрать на форме сигнала. Так как в противном случае у пользователя нет возможности визуального контроля за средним напряжением шины, значение которого расположено на кривой между линиями отсчетов пульсаций.
Автор: Teledyne LeCroy
Дата публикации: 09.10.2020
У нас представлены товары лучших производителей
ПРИСТ предлагает оптимальные решения измерительных задач.
У нас вы можете купить осциллограф, источник питания, генератор сигналов, анализатор спектра, калибратор, мультиметр, токовые клещи, поверить средства измерения или откалибровать их. Также мы поставляем паяльно-ремонтное оборудование, антистатический инструмент, промышленную мебель. Мы имеем прямые контракты с крупнейшими мировыми производителями измерительного оборудования, благодаря этому можем подобрать то оборудование, которое решит Ваши задачи. Имея большой опыт, мы можем рекомендовать продукцию следующих торговых марок:
Внимание! Отсутствие ошибок и опечаток не гарантируется. В технические характеристики средств измерений неутвержденного типа производителем могут быть внесены изменения без предварительного уведомления. Соответствие важных параметров требует уточнения. Полные технические характеристики предоставляются по отдельному запросу. Нашли ошибку? Выделите мышкой и нажмите Ctrl+Enter.




